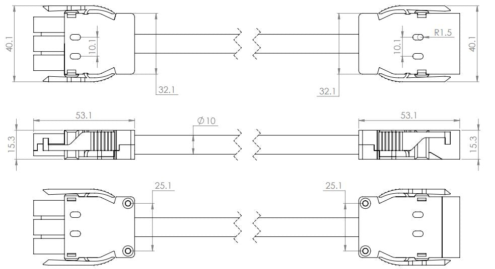
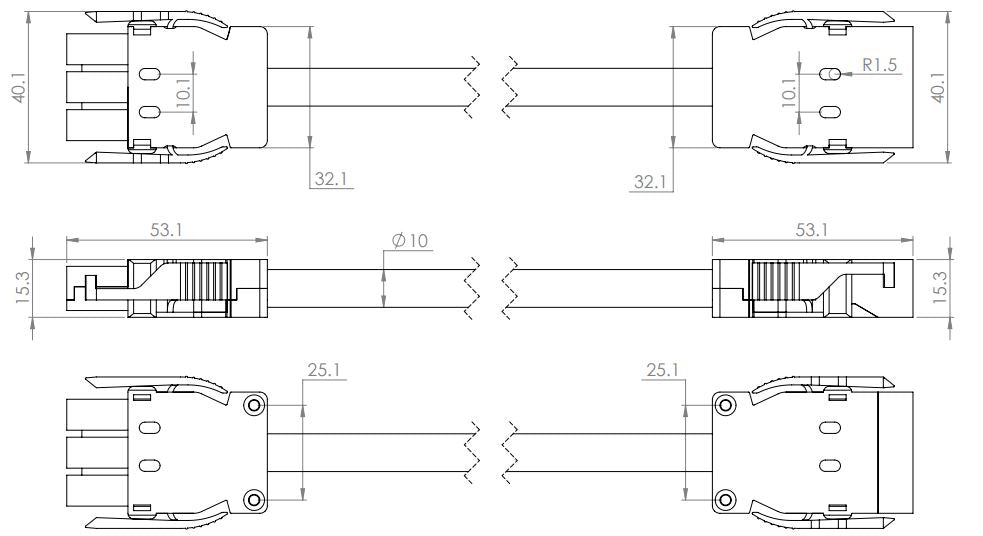
Leads - INTERCONNECTING TAG LEAD (STANDARD)
Standard cables are manufactured from 3 core 2.5sqmm flexible cable. They are rated at 20Amp and are terminated with a male and female ‘CMS’ AS/NZ61535.1 compliant connectors.
Colour options as pricing:
Black cable with Black plugs or White cable with White plugs
Complies to Commercial Australian Standards.
Product Lead-time (Plus shipping): STOCKED ITEM (Subject to stock available at time of order placed)










